|

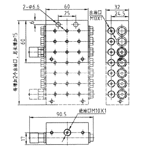
WDQ型及WDQM型递进式分配器是一种整体式递进式分配器,其工作原理同片式分配器。该分配器结构紧凑,成本低。WDQ型出油口有6、8、10、12、14五种规格,每个出油口出油量均为0.2ml/r。WDQM型出油口有6、8、10三种规格,每个出油口出油量均为0.1ml/r。这两种分配器广泛用于车辆、工程机械及其他中、小型机械设备的集中润滑系统。
规格型号及技术参数
|
规格型号
|
出油口数
|
每循环每出油口出油量ml
|
工作压力MPa
|
使用润滑剂
|
环境温度°C
|
|
润滑油黏度
|
润滑脂针入度
|
|
6WDQ
|
6
|
0.2
|
20
|
≥68mm2/s
|
≥265 1/10mm
|
-20~+60
|
|
8WDQ
|
8
|
|
10WDQ
|
10
|
|
12WDQ
|
12
|
|
14WDQ
|
14
|
|
6WDQM
|
6
|
0.1
|
20
|
|
8WDQM
|
8
|
|
10WDQM
|
10
|
|